


Quick and versatile rigging point for hoisting equipment
Shackle suspension point
Highly flexible–for lifting,pulling or as an anchor point
Multidirectional adjusting screw spindle for easy attachment and safe and secure grip
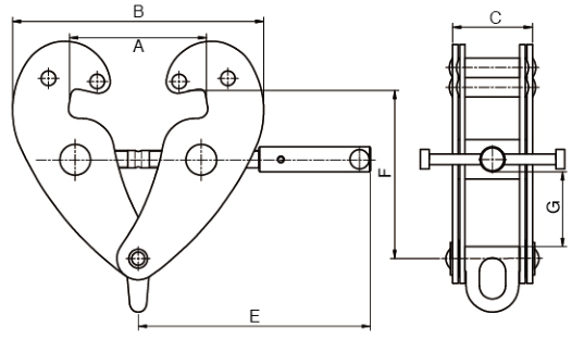
Wide beam flange adjustment range.| Code | Model | Capacity Load [t] | Test Load [kn] | I-Beam Width Range [mm] | Weight[kg] |
| YS 010 | YS-1 | 1 | 12.5 | 75-230 | 3.8 |
| YS 020 | YS-2 | 2 | 24.5 | 75-230 | 5 |
| YS 030 | YS-3 | 3 | 36.8 | 80-320 | 9 |
| YS 050 | YS-5 | 5 | 61.3 | 90-310 | 11 |
| YS 100 | YS-10 | 10 | 122.5 | 90-320 | 18.6 |