


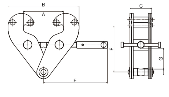
螺杆设计,轻松夹持
采用优质合金钢制造,坚固耐用
适用于各种型材,工字钢等
| 工厂编号 | 型号 | 额定载重量[t] | 试验载荷 [kn] | 工字钢轨宽适用范围 [mm] | 净重[kg] |
| YC 010 | YC-1 | 1 | 13.5 | 75-220 | 3.8 |
| YC 020 | YC-2 | 2 | 24.5 | 75-220 | 4.6 |
| YC 030 | YC-3 | 3 | 36.8 | 80-320 | 9 |
| YC 050 | YC-5 | 5 | 61.3 | 80-320 | 11 |
| YC 100 | YC-10 | 10 | 122.5 | 90-320 | 16 |
江苏省无锡市港下镇五一工业园8号
+86-510-88350326
+86-510-88353672
sales@mertex.net